摘要:由單片機、電池管理及景觀燈驅動模塊等組成的景觀燈控制器,單片機通過控制各功能模塊實現對蓄電池和景觀燈的管理。由檢測單元了解風力機和太陽能板的運行狀態,管理蓄電池充放電、風機泄荷及其顯示指示.地址撥盤設置節點地址.數傳模塊把存儲好的設備數據傳送給街區主節點控制器,再由主節點控制器把數據傳送的監控中。 城市面積的日益增大,各個景觀照明亮化集中控制和管理也變的越來越困難,往往有不少城市的景觀亮化或景區的亮化在平常時節不開啟,只在周末或國家規定的節假日開啟,這又造成了維護人員的困難加大。聚英電子公司研發的景觀燈控制系統(景觀照明集中控制系統),采用RTU6640融合了通信技術,智能控制技術,現場傳感器檢測技術,微電腦芯片技術,采用移動無線網絡,由上位機管理軟件、信號中繼器、ADSL網絡、移動通信網絡、執行終端組成。
引言
當前城市景觀燈的突出問題:耗費常規能源、 電纜布線費用和工程浩大。隨著新能源開發利用技術、大功率LED等技術的發展,故采用太陽能和風能作為景觀燈的電源,選用大功率直流LED燈泡作為景觀燈的光源,以綜合降低景觀燈耗能。
1.1 控制器的框架結構

圖1 景觀燈節點控制器結構
景觀燈節點控制器結構如圖1。單片機通過控制各功能模塊實現對蓄電池和景觀燈的管理。檢測單元了解風力機和太陽能板的運行狀態,管理蓄電池的充放電、風機泄荷并由顯示單元作出指示。地址撥盤設置節點地址。數傳模塊把存儲好的設備數據傳送給該街區主節點控制器,再由主節點控制器把數據傳送的監控中心。
1.2主要功能模塊介紹
1)單片機部分
單片機是景觀控制器的核心,采用CYGNAL公司的C8051F020,其運算速度快,內存儲空間大,調試方便,具有工業級工作溫度范圍(一45~+85℃);片內集成多通道12位和8位A/D轉換器,不必外加ADC芯片;片內集成的2個增強型UART串口和1個SPI串行總線可用于控制器單片機和其從器件間進行數據傳輸。
2)電池管理模塊
蓄電池的充電方法很多,本控制器以具體蓄電池出廠充電特性曲線為依據,按照一定時間或階段蓄電池的可接受充電電流,控制器分階段調整實際的充電電流以近似擬合充電特性曲線,當電池電壓達到控制點電壓時,電池轉為涓流充電。蓄電池管理模塊選擇Linear公司智能快速充電器LTC1325,
采用單片機控制電池快速充電過程,如圖2。

圖2 電池管理模塊
工作原理:C8051F020與LTC1325通過指令字和狀態字進行指令和數據傳輸。其中控制字總長22位,包括控制LTC1325的全部信息,狀態字表示測得的蓄電池的各種參數和充電器所處的狀態,總長8位。指令通過串行接口送入LTC1325ADC對蓄電池的采集信號進行處理,產生10位讀數和芯片狀態字,送單片機式。在充電方式下,C805IF020根據返回的狀態字實時了解蓄電池的電壓、電流情況。然后選擇適合蓄電池狀態的充電率和充電電流,通過串行口發出指令給LTC1325使充電電流始終以近似擬合蓄電池的充電特性曲線,當電池電壓達到控制點電壓時,電池轉為涓流充電。
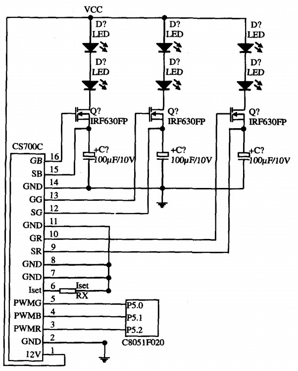
3)景觀燈驅動模塊
設計采用脈寬調制型恒流驅動的方法調控大功率串聯LED的電流(圖3)。在外界環境變化時, 脈沖驅動電流的峰值大小將發生變化,為使平均驅動電流保持恒定,改變每個脈沖周期內驅動電流的占空比使其在每個脈沖周期中的平均電流相等。
CS700C/CS700I為三路高功率LED恒流驅動器,可驅動350mA型和700mA型的LED,其工作電流可外接的電阻設定,工作電流可無級調節。利用外接的場效應管直接驅動LED,可靠性高、散熱設計方便。外部輸入相應的PWM信號驅動器能控制LED工作,通過外接濾波電容可使最小紋波< 5OmV,有效保障LED的工作壽命。
PWMR-紅色PWM控制信號輸入端,低電平有效,3.3V TTL;
PWMB:藍色PWM控制信號輸入端,低電平有效,3.3V TTL;
PWMG:綠色PWM控制信號輸入端,低電平有效,3.3V TTL:
選擇CS700C/CS700I為三路高功率LED恒流驅動器目的是:能在外界環境變化,如電源電壓發生跳變或照明LED光源參數有~定偏差的情況下, 為半導體照明LED提供恒定的平均驅動電流,以確保其亮度和色彩沒有偏移;通過調整驅動電流的占空比可靈活的變換LED的色彩。

圖3 景觀燈驅動模塊
軟件系統采用功能模塊化設計,雖然會稍微增加軟件代碼的長度,但是這有利于軟件的維護、管理和移植。
采用新型能源和大功率直流LED燈泡設計的城市景觀燈的風光互補型控制器,可降低景觀燈的耗能,具有較高的經濟實用價值。