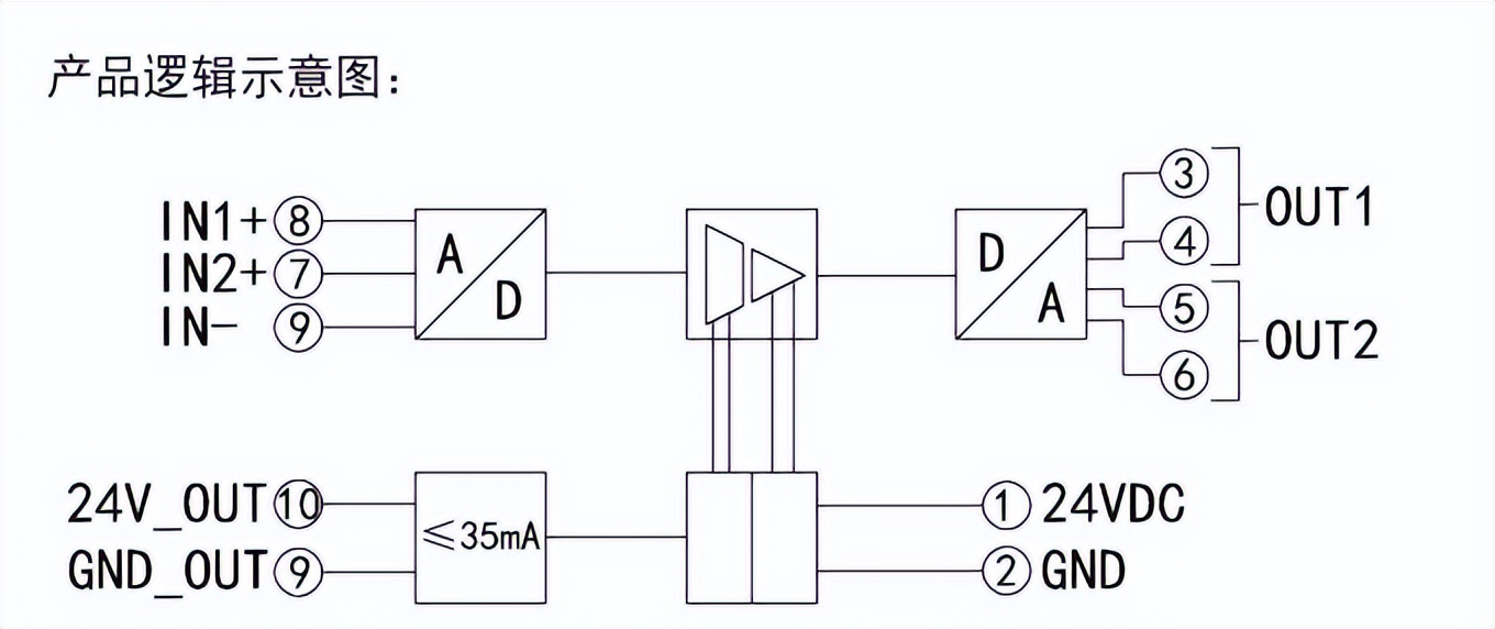
首先將變送器或儀表的信號源,通過半導體器件調制變換,然后通過光感或磁感器件運行隔離轉換,然后再運行解調變換回隔離前原信號源,同時對隔離后信號源的供電電池運行隔離處理。保證變換后的信號源、電池、地之間獨立。

功能:
1):保護下級的控制回路。
2):消弱環境噪聲對測試電路的影響。
3):抑制公共接地、變頻器、電磁閥及不明脈沖對設備的干擾﹔同時對下級設備具有限壓、額流的功能是變送器、儀表、變頻器、電磁閥PLC/DCS傳入輸出及通訊接口的忠實防護。標準系列導軌結構,易于安裝,可有效地隔離:傳入、輸出和電池及大地之間的電位。能夠克服變頻器噪聲及各種高低頻脈動干擾。

主要類型:
1)隔離器:工業生產中為增加儀表負載能力并保證連接同一信號源的儀表之間互不干擾,提高電氣安全性能。需要將傳入的電壓、電流或頻率、電阻等信號源運行采集、放大、運算、和運行抗干擾處理后,再輸出隔離的電流和電壓信號源,送給二次儀表或p1c\dcs使用。
2)配電器:工業現場一般需要采用兩線制傳輸方式,既要為變送器等一次儀表提供24v配電電池,同時又要對傳入的電流信號源運行采集、放大、運算、和運行抗干擾處理后,再輸出隔離的電流和電壓信號源,供后面的二次儀表或其它儀表使用。
3)安全柵:一些特殊的工業現場(如燃氣公司和化工廠)不但需要兩線制傳輸,既提供配電電池又有信號源隔離功能,同時還需要具有火花防爆的性能,可靠地遏制電池功率、防止電池、信號源及地之間的點火,限流、降壓雙重限制信號源及電池回路,把進入危險場所的能量限制在定額范圍內。

安裝維護注意事項:
由于生產廠家不同,對隔離器的生產工藝、接線定義也不都相同,但使用場合基本相同,所以對產品的防護要求及維護基本相同。
1.使用前應詳細閱讀說明書。
2.作為信號源隔離使用時,應將傳入端傳入環路電路中,輸出端接取樣回路。
3.作為隔離配電使用時,應將傳入端并入電池電路中,輸出端接變送器。
4.若不正常工作應先檢查接線是否正確,注意電池有無及極性反正。

為什么有時PLC接收到的現場信號源誤差大且穩定性差?
造成這種現象的原因很多,不同儀表信號源參考點之間的電位差是重要因素。由于這個“差”造成儀表信號源之間產生干擾電流,致使PLC誤差大且穩定性差。所以不同設備、儀表的信號源有一個共同的參考點是最佳狀況。隔離器使傳入/輸出電氣上完全隔離,在PLC模擬接口板形成共同的參考點,達到理想狀況問題就解決了。
對4-20m4通道運行隔離,而機柜里沒有放置電池的空間了,怎么辦?
一種無源信號源隔離器,實現4-20mA信號源隔離且無需外接電池?,F在市場有那么多品牌的隔離器,價格參差不齊,該怎么選擇呢?隔離器位于二個系統通道之間,所以選擇隔離器首先要確定傳入輸出功能,同時要使隔離器傳入輸出模式(電壓型、電流型、環路供電型等)適應前后端通道接口模式。此外尚有精度、功耗、噪音、絕緣強度、總線通訊功能等許多重要參數涉及產品性能,例如:噪音與精度有關、功耗熱量與可靠性有關,這些需要使用者慎選??傊?,適用、可靠、產品性價比是選擇隔離器的主要原則。

DCS接收到的現場二線制壓力變送器信號源不穩定,怎么解決?
二線制變送器在工業自動化領域中使用頻度較高,與其他工業現場設備相同,二線制變送器也存在受干擾及抗干擾的問題。依據DCS模擬板接口模式(電流型或環路供電型)選用功能不同的隔離配電器,原則上要求它既能給變送器提供隔離電池、保證每個變送器有一個獨立電池,又能將變送器信號源隔離輸送到DCS。
PLC模擬板接口是二線回路供電方式的,而且需要對信號源運行隔離,應該怎樣選用產品呢?二線回路供電方式是一種常見模擬接口。與這個接口相適合的產品稱為二線制回路隔離系列產品。這種隔離變送器內部的隔離器件均采用變壓器方式,一方面傳遞了信號源,另一方面也將供電端的電能傳送到傳入部分,使傳入部分的各種電路能正常工作。
常用的二線制隔離配電器有兩個系列品種可以選擇。兩個系列產品的共同點是均能通過外部供電電池經隔離后給兩線制變送器提供一個獨立的隔離電池;變送器配電取決于現場所配PLC、DCS模擬量輸。